一、產品描述:
海晶HJ-SS-B型光電式懸浮物測定儀是為測量市政污水或工業廢水處理過程中懸浮物濃度而設計的在線分析儀表。無論是評估活性污泥和整個生物處理過程、分析凈化處理后排放的廢水,還是檢測不同階段的污泥濃度,海晶HJ-SS-B型光電式懸浮物測定儀都能給出連續、準確的測量結果。
海晶HJ-SS-B型光電式懸浮物測定儀由變送器和傳感器組成。傳感器可以方便地安裝在池內、排水管、壓力管道或自然水體中,海晶HJ-SS-B型光電式懸浮物測定儀能自動補償因污染而引起的干擾。變送器和傳感器之間的雙向數字通訊可防止信號衰減,并允許傳感器距離變送器之間的距離較遠。傳感器帶有空氣清洗功能,能根據預先設置的時間自動定時清洗,從而大大降低了儀器維護的工作量。
二、應用領域:
給水廠 — 沉淀池;
造紙廠 — 紙漿濃度;
洗煤廠 — 沉淀池;
電力工廠— 灰漿沉淀池;
污水處理廠— 進水口、出水口、曝氣池、回流污泥、初沉池、濃縮池、污泥脫水等。
三、測量原理:
海晶HJ-SS-B型光電式懸浮物測定儀的紅外光在污泥和懸浮物中透射和散射的衰減與液體中的懸浮物濃度有關為基礎。傳感器上發射器發送的紅外光在傳輸過程中經過被測物的吸收、反射和散射后僅有一小部分光線能照射到檢測器上,透射光的透射率與被測污水的濃度有一定的關系,因此通過測量透射光的透射率就可以計算出污水的濃度。

圖 四光束原理圖
海晶HJ-SS-B型光電式懸浮物測定儀的傳感器使用了四光束技術,如圖中示意。采用四光束技術利用兩個發射器和兩個檢測器,每個發射器發送的光線經過透射后照射到兩個檢測器上,這樣就產生一系列的光路,得到一個數據矩陣,然后通過分析這些數據信號,即可得到介質中懸浮物的準確濃度,并能有效消除干擾,補償因污染產生的偏差,使儀器能在較惡劣的環境中工作。
注:紅外接收采用高精度的940nm光強轉換為頻率的集成電路芯片,使接收到的光強轉變為數字信號。
四、技術參數:
1、主機參數:
測量范圍:0~9999mg/L;0~50g/L;0~500g/L(可定制)
精 確 度:±1%FS
分 辨 率:0.01g/L 或1mg/L
重 復 性:±1%
流速范圍:0.3 ~3 m/s
功 率:15 VA;
供電電源:AC220V,50/60 Hz;DC24V(可選)
溫度范圍:-20℃~55℃
輸 出:1路4~20mA電流信號隔離輸出,最大負載750歐姆;
2個報警信號繼電器,容量220VAC/2A,輸出可由用戶設置;
1個沖洗時間繼電器,容量220VAC/2A,時間可由用戶設置。
測量單位:g/L和mg/L兩種可選擇。
外 殼:ABS/PVC工程塑料
防護等級:IP65
重 量:1.5 kg
傳感器參數:
溫度范圍:0℃~80℃
壓 力:≤10 bar
材 質:316不銹鋼、ABS、K9光學玻璃
防護等級:IP68
電纜長度:10m(最長50米)
重 量:1.2 kg
五、產品特點:
●多光束相互補償技術,消除光窗沾污造成的測量誤差;
●空氣自清洗功能,基本免維護;(用戶可選空氣吹掃裝置,壓力0.7-3.4Bar,通過1/4'聚丙烯管連接傳感器接口。用戶自備電磁閥。)
●測量方式自動轉換適應大量程范圍;
●數字化傳感器,信號處理集成在傳感器中,大大提高了測量的可靠性和穩定性;
●光學帶通濾波和調制的激發光有效避免環境光對測量的影響;
六、產品展示圖:
1、傳感器部分:



圖 常規傳感器 圖插入式傳感器 傳感器尺寸圖
2、主機部分:


圖 壁掛式主機 圖主機尺寸圖
七、儀表安裝:
1、投入式安裝:


圖 變送器及探頭安裝示意圖
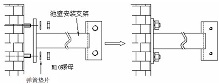
注意:投入式安裝時,傳感器一定要安裝在安裝支架上,不可以用傳感器的電纜將傳感器懸掛在水中。傳感器應浸沒至水面下不小于30cm 的深度,并避免陽光直射。
a、 首先在安裝傳感器的池壁合適位置打入四個M10 鋼制膨脹螺栓,將如下圖所示的傳感器池壁安裝支架通過M10 螺母和彈簧墊片固定在池壁的螺栓上,安裝完成后如下圖中右圖所示。

b、 將傳感器的電纜依次穿過塑料連接管、安裝管、套管、蓋和鎖緊螺母;將傳感器的螺紋與塑料連接套的螺紋孔相接并擰緊;塑料連接套則與安裝管相連;然后將安裝管穿過套管,根據現場測量深度通過兩個緊定螺釘將套管固定在安裝管上的合適位置;將彎頭與安裝管擰緊,防止雨水和其他物質進入安裝管;將鎖緊螺母擰緊,固定電纜。
2、插入式探頭安裝:
插入式安裝方式是指把傳感器通過安裝支架插入到管道中的安裝方式。適合于污泥管道等場合。

圖 插入式傳感器安裝示意圖
插入式傳感器應該安裝于上向流管路部分,如果不能實現,則推薦安裝在水平管路中心45o~90o角度處。
(1) 將圖中的前管與待安裝傳感器的管道相連(焊接),將不銹鋼球閥與前管相連(螺紋連接);然后將后管與不銹鋼球閥相連(螺紋連接);
(2) 將插入式傳感器與傳感器端法蘭相連(螺紋連接);
(3) 在后管的法蘭上墊一個法蘭墊,將裝有法蘭的插入式傳感器插入后管的管道,用M10螺柱將傳感器端法蘭與后管法蘭連接固定。

圖 插入式傳感器安裝示意圖






























